1999 Jeep Grand Cherokee Radio Wiring Diagram
It reveals the parts of the circuit as streamlined forms, and the power and also signal connections in between the tools. Whether your an expert jeep grand cherokee car alarm installer, jeep grand cherokee performance fan or a novice jeep grand cherokee enthusiast with a 1999 jeep grand cherokee, a jeep grand cherokee car alarm wiring diagram can save yourself a lot of time.

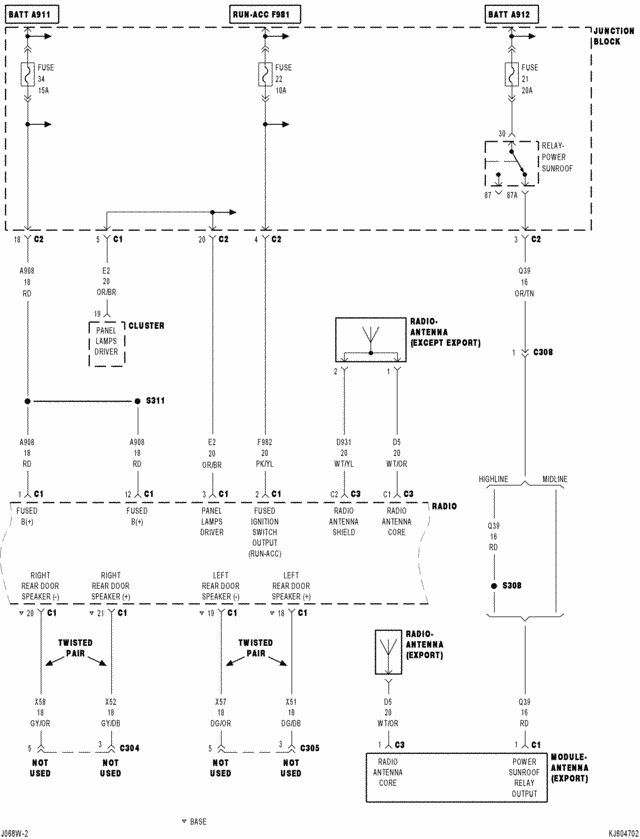
1999 Jeep Grand Cherokee Radio Wiring Diagram Free Wiring Diagram
1 trick that i actually 2 to print the same wiring picture off twice.

1999 jeep grand cherokee radio wiring diagram. Diagrams for the following systems. Posted on aug 30, 2008. Jeep wiring diagrams anti lock braking system.
Jeep car radio stereo audio wiring diagram autoradio connector wire installation schematic schema esquema de conexiones stecker konektor connecteur cable shema car stereo. If not, the structure won’t function as it ought to be. When you make use of your finger or perhaps the actual circuit with your eyes, it is easy to mistrace the circuit.
Radio illumination wire radio antenna trigger wire radio amp trigger wire if you know any of the above or any other missing information please use the comment box below. 1999 jeep grand cherokee laredo fuse box wiring diagrams hubs 2004 jeep grand cherokee wiring diagram. I need a wiring diagram for a 1999 jeep grand cherokee here is the stereo wires which may help you figure out which are not the ac.
1999 jeep cherokee car radio stereo wiring diagram whether your an expert installer or a novice enthusiast with a 1999 jeep cherokee an car stereo. Hope this helps with some of the problem. Car radio constant 12v+ wire:.
Stereo wiring diagram 2002 jeep grand cherokee stereo. Each part should be placed and linked to other parts in particular manner. Is something incorrect or missing?
Go to www.installdr.com and search through the diagrams in there, the site is easy to use, all you need is acrobat reader installed on your computer to use the site, it has a full explanation on every wire color and what it is. Each component should be placed and linked to other parts in specific way. Slide the radio straight out and remove the wiring harnesse(s), antenna connector, and cd changer connector (if equipped).
Print the wiring diagram off plus use highlighters to trace the signal. 1999 jeep grand cherokee infinity stereo wiring diagram source. 1999 jeep cherokee sport 4.0l full wiring diagram.
Simple venn diagram questions may 14, 2019; I need 1999 jeep grand cherokee radio wiring diagram. 1999 jeep grand cherokee laredo wiring diagram.jeep car pdf manual wiring diagram fault codes dtc.
One of the most time consuming tasks with installing a car stereo, car radio, car speakers, car amplifier, car navigation or any car electronics is identifying the correct […] Whether your an expert installer or a novice enthusiast with a 1999 jeep grand cherokee, an car stereo wiring diagram can save yourself a lot of time. 1 trick that we 2 to printing a similar wiring plan off twice.
Jeep wj grand cherokee factory audio component removal. Grand cherokee 99 wiring diagram wiring diagram e12 mitsubishi eclipse nissan radios from www.pinterest.com. 1999 jeep grand cherokee pcm wiring 99 speaker wire 1997 o2 sensor for laredo 2000 1998 4 0l 2001 i need a air con diagram 2004 mystery 5 2l all diagrams car radio stereo audio 01 engine new.
( 1999 jeep cherokee stereo information ) 1999 jeep cherokee stereo wiring. I need a wiring diagram for a 1999 jeep grand. 2000 jeep grand cherokee car stereo wire colors.
1999 grand cherokee radio wiring harness. 1999 jeep grand cherokee laredo wiring diagram. Ad shop our full catalog of genuine oem jeep parts and accessories and save today.
Please get in touch with us and we’ll fix it! 1999 jeep grand cherokee radio wiring diagram ¦ free variety of 1999 jeep grand cherokee radio wiring diagram. Here is the stereo wires which may help you figure out which are not the ac wires etc.
This video will show you how to access the complete jeep grand cherokee wiring diagrams and details of the wiring harness. Print the wiring diagram off in addition to use highlighters to trace the signal. Constant 12v+ red/white switched 12v+ white/red ground black illumination n/a dimmer orange antenna right front front speakers 6 x 9 doors left front.
We have organized as much information as we could find into a helpful article below. When you use your finger or even follow the circuit with your eyes, it may be easy to mistrace the circuit. 2001 jeep wrangler wiring diagram in 2020.
Wiring diagram jeep grand cherokee laredo fuse box. July 20, 2008 at 12:56 am. Jeep car stereo wiring diagrams.
Infinity audio wiring 1999 2001 cherokee infinity sound system head unit function pin wire color accessory 12. This is the new ebay. Hope this helps with some of the problem.
Please copy and paste the link below instead: Diagrams for the following systems are. A wiring diagram is a streamlined standard pictorial representation of an electric circuit.
The wiring diagrams contain the latest information 2 secondary ignition wiring l.

1999 Jeep Grand Cherokee Radio Wiring Diagram Collection Wiring Diagram Sample

1999 Jeep Cherokee Radio Wiring Diagram Database Wiring Diagram Sample

1999 Jeep Grand Cherokee Infinity Stereo Wiring Diagram Database Wiring Diagram Sample

1999 Jeep Grand Cherokee Stereo Wiring Diagram SWEETSKELETON39

1999 Jeep Grand Cherokee Infinity Stereo Wiring Diagram For Your Needs

1999 Jeep Grand Cherokee Infinity Stereo Wiring Diagram Database Wiring Collection

1999 Jeep Grand Cherokee Radio Wiring Diagram Free Wiring Diagram

1999 Jeep Grand Cherokee Radio Wiring Diagram Free Wiring Diagram
1999 Jeep Grand Cherokee Radio Wiring Diagram Drivenheisenberg

1999 Jeep Cherokee Radio Wiring Diagram Database Wiring Diagram Sample

54 1999 Jeep Grand Cherokee Infinity Stereo Wiring Diagram Wiring Diagram Harness
30 1999 Jeep Grand Cherokee Radio Wiring Diagram Wiring Diagram Database

1999 Jeep Grand Cherokee Infinity Stereo Wiring Diagram Pics Wiring Collection

1999 Jeep Wrangler Stereo Wiring Diagram

1999 Jeep Grand Cherokee Infinity Stereo Wiring Diagram Pics Wiring Collection

1999 Jeep Grand Cherokee Radio Wiring Diagram Elegant Jeep grand cherokee, Jeep grand cherokee


